
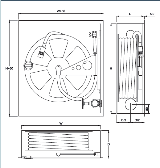
NORMEKS® model S2-İV, tek kabin, ilave olarak 2” itfaiye vanası içeren
sıvaüstü montajlı bir dolaptır. Makara 180° asılı bir desteğe sabitlenmiştir
ve kabinin sağ tarafına montajlıdır. Bu modelde vana-hortum bağlantısında
Alman DIN 14461 standardı temel alınmıştır.
Model S2-İV aşağıda belirtilen özellikleri içerir.
о Su beslemesi makara merkezindedir.
о Hortum tamburu 70 mikron RAL 3001
kırmızı elektrostatik toz boyalıdır.
о Yangın dolabı standart olarak RAL 9002
kirli beyaz veya RAL3001 kırmızı renkte
70 mikron boyanmaktadır.
о NORMEKS® jet / sprey / EN671-1
standardına göre imal edilmiş kapama
nozulu.
о Standart EN694’e göre imal edilmiş yarı
sert kırılmaz kauçuk hortum.
о 2” köşe vanası ve özel vana montaj
adaptöre. (2”-1” storz kaplinli redüksiyon.)
о 3 kademeli sızdırmazlık detaylı
paslanmaz pirinç makara göbeği.
о 1.5 mm DKP sacdan mamul dolap kasası
ve çift kat kıvrımlı dolap kapağı.
о 2’’ itfaiye vanası, rakor ile birlikte
verilmektedir. (2’’ itfaiye vanası zincir
kapak isteği ayrıca belirtilmelidir.)
о Dolap kapısı sağdan menteşelidir. (İsteğe
göre soldan menteşeli de yapılabilir.)
о Kabin 180°dönebilir.
о Dolap arka montaj plakası 1.2 mm DKP
sacdan imal edilmiştir.
о İki adet 75 mm çapında su girişi vardır.
о Dairesel kromajlı NORMEKS® kapı kilidi.
о Demonte vaziyette sevk edilen arka
montaj plakası sayesinde, sıva, boya gibi
inşaat işleri tamamlandıktan sonra dolap
monte edilebilir.
о Kabin dış kapağına 92/58/EEC’ye uygun
işaretlemeler serigrafi baskı olarak
yapılmaktadır.
о Makara hareketi 180°’dir. Bu sayede
hortum her yöne rahatça çekilebilir.
о Kullanım ve montaj kılavuzu.

Yangın dolaplarının servisi ve bakımı, servis ve
bakım standardı EN 671-3 ve NORMEKS® bakım
talimatlarına göre yapılmalıdır. Servis ve bakım
anlaşması için NORMEKS® ile bağlantı kurunuz.
о Ürünlerimiz TS.EN671.1’e uygun olarak imal
edilmektedir.
о Üretici firma haber vermeksizin üretim
standartlarında ve malzemede değişiklik yapma
hakkını saklı tutar.
о Standart imalatımız sac kapaklıdır; cam kapak
talepleri ayrıca belirtilmelidir.
о Standart imalatımızda su girişleri sağdadır. Sol
yandan giriş talepleri ayrıca belirtilmelidir.
о Dolap kasası ve hortum makarası ayrı
ambalajlarda paketlenmiş olarak sevkedilir.
о Dolap kasası arka montaj sacı aynı ambalaj içinde
demonte vaziyette sevkedilir.
о 2” köşe vanası ayrı karton ambalajlarda
paketlenmiş olarak sevkedilir.
Montaj esnasında öncelikle;
о Arka montaj plakası montaj yerine M10 saplama
ile çelik dübel kullanılarak monte edilmelidir.
Saplamanın, duvar yüzeyinden minimum 20 mm,
maksimum 30 mm dışarıda olması gerekir. Arka
montaj plakasının, terazisinde olduğu kontrol
edilmelidir.
о Duvar yüzeyinde boya ve benzeri işler
tamamlandıktan sonra öncelikle dolap kasası arka
montaj sacının üzerine yerleştirilmeli, bir pul ve
somun vasıtasıyla (M10) sabitlenmelidir.
о Hortum makarası taşıyıcı kolu, dolap kasasına
monte edilmiş taşıyıcı kulaklara yerleştirilmelidir.
о 2” köşe vanası sağ yan dolap yüzeyinden boruvana
bağlantı kısmı kasa dışında kalacak şekilde
monte edilir. Vana-boru bağlantısının kasa içine
girmesi durumunda, besleme hortumu direnç
gösterecek şekilde kırılabilir. Bu durumda uygun
açıda hortum dönüşü sağlamak için besleme
hortumu kısaltılmalıdır.